I2C busで、 プルアップ抵抗値により 影響を受けるパラメータには、 「VOL」と「立ち上がり時間」 があります。 それぞれに規格がありますので、 それらの規格を満たすように 抵抗値を設定する必要があります。Arduioでの作例ではI2Cのプルアップ抵抗について特に言及されずに外部抵抗を使っているものがあるが、公式の Wire ライブラリを用いると Arduino の内部でプルアップが行われるため、外部にプルアップ抵抗を別途設ける必要がない。 内部のプルアップ抵抗を使う場合、Atmega328PであればデータシートからSDA、 SCLがプルアップ抵抗RpuのKΩ (Min)〜50KΩ (Max)になるそうだがなお、Arduino Due 内蔵のI2Cバス0のプルアップ抵抗が小さすぎる場合があるそうです。 その場合にはバス1 (Wire1) を試すか、プルアップ抵抗を外して外付けにしてみてください。

Esp32でi2c通信 Koba Slab
Arduino i2c プルアップ抵抗値
Arduino i2c プルアップ抵抗値-配線図 I2C接続用のプルアップには1kΩを使用しています。 次は公式データシートより (mcp_mcp23s17pdf) デバイスアドレスはA0,A1,ピンを使用しています。 この3つはHIGH (Arduinoでは5V)、LOW (GND)のどちらかに接続します。 3bit (8種類)ですので値を変更する事により最大8台までの「MCP」を接続する事が可能です。 ArduinoのI2C接続では上位7bitを使用しますので、R/WはSTM32/Arduino IDE で複数のI2Cデバイスを使う 18/3/6 マイコン 計画しているシャッター速度計測装置の測定データに時間なども記録しておくため、液晶ディスプレイにRTCモジュールも追加してみた。 STM32をマスターとしRTCモジュールと液晶ディスプレイをスレーブとしたI2C通信を試した。 SDA・SCLの信号線はプルアップして使うのが正しいようだが、プルアップなしに



Arduinoでi2c通信 Rephtone
(Arduinoはプルアップされていません) そのため、ラズパイとArduinoを2本の電線で接続するだけで、問題なく I2C バスとして機能します。 I2C バスに限らず、 オープンコレクタ を使用すれば33Vと5Vの電子回路を共存させることができます。・プルアップ抵抗は基板に搭載。 ・センサ仕様より 電源電圧範囲 ~36V → 33Vで使用する。 クロック用 不使用 データ用 アドレス セレクト用 GND 電源(33V) センサの使用する電圧値と Ardunoの信号の電圧値が合わないよ 電源(33V) 電源(33V)・データ線dataは、必ず47k~10kΩの抵抗器で、電源からプルアップして下さい。 (距離が長い場合は47kΩ) 抵抗器の接続は、マイコン側・センサー側のどちらでも可能です。 ・センサーとの距離が長くなる場合は、シールド線を使用して下さい。
プルアップの基本的な回路と動作 プルアップ(PULLUP)の基本的な接続方法は下記となります。 Arduino (マイコン)のポートにR(抵抗)で5Vを接続し、グランドとの間にスイッチを設けます。 こうすると、通常はスイッチがOFFの状態ですから電圧がポートにかかるためHIGH(5V)が供給されています。 スイッチが押されると、ポートはGNDと接続状態となるためLOW(0V)に配線図 I2CのSCL/SDAのプルアップ抵抗には2kΩを使用します。 ※R/W = 1 読み込み。 R/W =0 読み込み、書き込み。 今回の配線によるデバイスアドレスは「A0=H (1)、A1=H (1)、=H (1)」にしていますので「」になります。 Arduinoの場合は7bitのみを使用しますので右に1bitシフトした「」 (0x57)がデバイスアドレスとなります。 A0,A1,の3bitありますので、最大8個のEEPROMをSCL,SDAがI2CLCD内でVccにプルアップされていない場合は10kΩ程度の外付け抵抗でVccにプルアップします。 ライブラリ TinyWireM ATtinyをI2Cのマスターとして動かすためのライブラリです。 Arduino IDEのライブラリマネージャからインストールします。
接続されていなかったなどのときに、自動的に一定の電圧になるように高めの抵抗を電源線と接続する必要がある。 I2C の場合に、 プルアップ抵抗が必要になる。 時々、マスター側のハードウエアに、あらかじめプルアップ抵抗がしこまれていることもある。 実際の接続 Arduino では Wire ライブラリを用いる。 接続例 Arduino/みんな試作機/I2C通信と温湿度計 SensirionArduino IDE 101からの新機能でpinMode関数の第2引数にINPUT_PULLUPキーワードが使えるようになっています。この機能、便利なんですけどあまり知られていないのかもと思い、改めてご紹介いたします。 Arduino IDE のメニューから「ファイル」→「スケッチの例」→「02Digital」→「Button」をクリックする特に Arduino の場合には、I2C 通信用のポートが1組しかないために、複数の同種センサーは載せられない。mbed などでは、複数の I2C のポートが用意されている(ことがある)。 プルアップ SCL と SDA のラインは数kΩ程度の抵抗でプルアップされている。



ボクにもわかる I2c Iic インタフェース方式 For Ichigojam


Jeroen Swart Netduino Getting Started With I2c
Arduino IDE、MicroPythonとEspressif社のESPIDFでプログラミングできます。 BME280をI2Cで使う時はSDAとSCLをプルアップする必要があります。スイッチサイエンスのESP66モジュールにはプルアップ抵抗が載っていませんが、プログラムでプルアップするので大丈夫I2Cのプルアップ抵抗も実装済みなので、使いたいピンヘッダをハンダ付けするだけですぐに使えます。 コントラストもソフトウェアから設定できます。 Arduino Pro 328 33V/8MHz などに直接接続できるピン配置になっています。 mbed やRaspberryPi でも使えます(16年6月21日現在、モジュールに問題があり、Raspberry Piでは使用できないことを確認しています)。 5V版 と基板まず、Wirebegin で I2C の初期設定を行います。このとき、SCLとSDAのラインを内部の抵抗でプルアップします。I2C を通してデータを書き込むには まず、WirebeginTransmission(I2Cアドレス) でI2Cアドレスを指定します。



Floating Pins Pull Up Resistors And Arduino Programming Electronics Academy



Introduction To I2c Uchobby
プルアップ抵抗が必要 スレーブ側 デバイスa アドレス: スレーブ側 デバイスa アドレス: データ クロック デバイス(センサ)は固有のアドレス を所有し、マスターは送受信の指示 を各アドレス別に出せる。 低 抗 低 抗 各ラインは抵抗を介し、プルアップの基本的な回路と動作 プルアップ(PULLUP)の基本的な接続方法は下記となります。 Arduino (マイコン)のポートにR(抵抗)で5Vを接続し、グランドとの間にスイッチを設けます。 こうすると、通常はスイッチがOFFの状態ですから電圧がポートにかかるためHIGH(5V)が供給されています。 スイッチが押されると、ポートはGNDと接続状態となるためLOW(0V)にそれはさておき,I2C通信では,SDA/SCLを プルアップ する必要があります.Arduinoでは, pinMode(ピン番号, INPUT_PULLUP) とするだけで内蔵のプルアップ抵抗を有効にできます.



Arduino Examples



Arduino同士でi2c通信する方法 Qiita
"i2c用電圧レベル変換モジュール"です。 左図の変換モジュール上の方がvref1側と なります。 i2c用プルアップ抵抗は変換モジュールに1kΩのプルアップ抵抗を内蔵しているので それを利用しています。I2C busで、 プルアップ抵抗値により 影響を受けるパラメータには、 「VOL」と「立ち上がり時間」 があります。 それぞれに規格がありますので、 それらの規格を満たすように 抵抗値を設定する必要があります。I2C なので基本的にプルアップが必要です。ここでは下記 LiquidCrystal_I2C ライブラリが内部で Wire ライブラリを利用していますが、これは SDA/SCL ピンについて、Arduino の内部プルアップ抵抗をアクティベートします。



What Could Go Wrong I2c Edition Hackaday



Lcd I2c Issues With Pull Up Resistor Arduino Stack Exchange
配線図 I2CのSCL/SDAのプルアップ抵抗には2kΩを使用します。 ※R/W = 1 読み込み。 R/W =0 読み込み、書き込み。 今回の配線によるデバイスアドレスは「A0=H (1)、A1=H (1)、=H (1)」にしていますので「」になります。 Arduinoの場合は7bitのみを使用しますので右に1bitシフトした「」 (0x57)がデバイスアドレスとなります。 A0,A1,の3bitありますので、最大8個のEEPROMを



Adding External I2c Eeprom To Arduino 24lc256


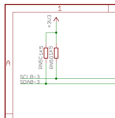
I2c Wire Pull Up Resistors Arduino Due Sda0 3 21 Scl0 3


Oled 1 3 I2c Iic 128x64 Serial Lcd Faulty



I2cのプルアップ抵抗値はどれくらいがよいのか R271 635


マイコンの実験 Pic12f12 Arduino I2c実験 1 6



Pca9622dr スイッチサイエンス



Attiny85でi2c Lcdを使う方法 Arduino Kosakalab



I2c Spi Lcd



All About I2c The Bela Knowledge Base



What Happens If I Omit The Pullup Resistors On I2c Lines Electrical Engineering Stack Exchange



Adxl345 Breakout Uno Hookup Doubts About Voltages I2c General Discussions Robotshop Community



Arduinoでi2c通信 Rephtone


Stm32 Arduino Ide で複数のi2cデバイスを使う



Wire Arduino Library Connecting I2c Twi Devices To Teensy


I2c Bus And Lcd Display Prometec



番外編 オープンコレクタ出力 Arduinoで遊ぶブログ



Pcal9555apw スイッチサイエンス



Multiple I2c Buses With An Arduino And Tca9548a Module


秋月のi2c接続キャラクタlcdモジュールacm1602niをarduinoで使う 構想100年



Arduino Usage Adafruit Am23 Sensor Adafruit Learning System



試行錯誤な日々 Arduinoのi2cは内部抵抗でプルアップされるのが標準仕様らしい



音源とオーディオの電子工作 予定 Arduinoとnucleo Mbed でi2c通信してみる



第14回 回路図設計 I2c通信モジュール回路 ツール ラボ



Multiple I2c Buses With An Arduino And Tca9548a Module



Arduino入門編 プルアップ プルダウンって何 デジタル入力の解説です ぶらり Web走り書き


I2c Communication Between Arduino And Raspberry



Bme280 スイッチサイエンス


I2c Multiple Ads1115s And Pullup Resistors


マスタリングwireライブラリ その1 スタートとストップ コンディション Arduinoクックブック



こじ研 Esp センシング編


I2c Communication Between Arduino And Raspberry


Arduinoの概要


Gammon Forum Electronics Microprocessors I2c Two Wire Peripheral Interface For Arduino



Running Both 5v And 3 3v Devices On I2c Robotshop Community


Programming Digipot Ad5273



How Many Devices Can You Connect To The I2c Bus Bluedot Sensors


Arduino Aquestalk Pico Lsi を I2c で制御する N Yamazaki S Blog


Aqmシリーズのi2c接続lcdキャラクタ ディスプレイを使う 3 レベル変換とリピータ 電子工作 Make



ストロベリー リナックス 秋月電子のi2c液晶 Oledほかをarduinoで使う



Pull Up Resistor Vs Pull Down Differences Arduino Guide Latest Open Tech From Seeed Studio



Five Parts Are Connected Using I2c Protocol


Pull Up Resistors Arduino Mega I2c Communication



Esp32でi2c通信 Koba Slab



Raspberry Pi And Arduino Connected Using I2c Oscar Liang


Arduinoにlcdキャラクタ ディスプレイ モジュールを接続する 10 電圧レベル変換 電子工作 Make



Stm32 I2c Tutorial How To Use I2c Communication In Stm32f103c8 Microcontroller


I2c Communication Between Arduino And Raspberry


Arduinoの概要



音源とオーディオの電子工作 予定 Arduino同士でi2c通信をしてみる



Esp32 I2c Communication Set Pins Multiple Bus Interfaces And Peripherals Random Nerd Tutorials



Eeprom I2c版 の使い方 Arduino


Arduinoにlcdキャラクタ ディスプレイ モジュールを接続する 8 利用できる電源電圧 電子工作 Make



ラジオペンチ 3 3vのi2cを5vのarduinoに接続する場合の注意事項


Aqmシリーズのi2c接続lcdキャラクタ ディスプレイを使う 3 レベル変換とリピータ 電子工作 Make



How To Use The Mcp I O Expander On The Arduino



Arduino Examples



Arduino Arduino I2c Arduino



How Many Devices Can You Connect To The I2c Bus Bluedot Sensors


Electronics And Embedded Systems Microcontrollers Arduino What Is I2c Inter Integrated Circuit Communication And I2c Scanner



Arduino同士でi2c通信する方法 Qiita


I2c Sensors Not Detected Page 2



Tutorial Arduino And The I2c Bus Part One Tronixstuff Com



How To Connect Multiple I2c Interface Devices Into A Single Pin Sda And A5 Scl On Arduino Electrical Engineering Stack Exchange



How Many Devices Can You Connect To The I2c Bus Bluedot Sensors



Avr用のコンパクト 高速なi2cライブラリの実験 Sasapea S Lab


Arduino使い方 気圧センサlps331ap Lps25hと接続する



Adxl345 Hookup Guide Learn Sparkfun Com



Sparkfun Bme280 Breakout Hookup Guide Learn Sparkfun Com



I2c Pull Up Resistors Rheingold Heavy



Pcf8575 I2c 16 Bit Digital Input Output Expander Arduino Project Hub


Electronic Diy With Arduino



Arduinoのプルアップ機能とは どういった時に使うのか エンため


I2c Pull Up Resistors



試行錯誤な日々 Arduinoのi2cは内部抵抗でプルアップされるのが標準仕様らしい



Arduinoのi2cのプルアップ抵抗 半田付け日記



I2c Display Add On Tutorial 02 Larson Scanner Rheingold Heavy


I2cのトラブルのはなし Sudoteck


Electronic Diy With Arduino



I2c Tutorial For Arduino Esp66 And Esp32


How To Connect Multiple I2c Devices To An Arduino Microcontroller


2 Using The I2c Expander For 16 2 And 4 Lcd Displays Zonnestroompanelen In Nederland



Pcf8574 I2c Digital I O Expander Arduino Esp66 And Esp32 Basic I O And Interrupt Part 1 Renzo Mischianti


Gammon Forum Electronics Microprocessors I2c Two Wire Peripheral Interface For Arduino



Multiple I2c Slave Devices On Arduino Pull Up Values Arduino Stack Exchange



I2c基礎 Arduinoでのi2c通信の基礎から手順まで詳しくまとめ くろべこblog



Real Time Clck Rtc Ds 1307 To Arduino Electrical Engineering Stack Exchange



Esp32 I2c Communication Set Pins Multiple Bus Interfaces And Peripherals Random Nerd Tutorials


Arduinoでi2cする際のプルアップ抵抗について 熊工房 Ohgumaの腹凹ませたい日記



Arduino Examples


I2c Hello World



第37回 I2c通信の考え方 2 ツール ラボ


Pull Up Resistors For The I2c Connection
0 件のコメント:
コメントを投稿